לאחרונה השתתפתי בקורס בודקים ונתקלתי בפרק מעניין העוסק במפסק מגן תלת פאזי. במסגרת הקורס קיבלנו ספר מקיף שתיאר את תוכנו, ולאחר עיון בו הבנתי שיש לי מספר הערות לגבי הנושאים שהועלו בפרק זה. בפרט, הופתעתי לגלות רעיונות לביצוע שינויים בחיבורי מפסקי המגן שנועדו להגדיל את הזרם הנומינלי ולהקטין את רגישות המפסק. למרות שמדובר ברעיונות שאינם חדשים, נראה כי הם אינם מוכרים בספרות ובפורומים מחוץ לישראל, מה שמעלה שאלות לגבי האפקטיביות והבטיחות שלהם. במאמר זה, נבחן את ההשלכות של שינויים אלו ואת הסיכונים הפוטנציאליים הכרוכים בהם, במיוחד כאשר מדובר במפסק מגן תלת פאזי.
לאחרונה השתתפתי בקורס בודקים. הכול היה טוב וברמה טובה. אפילו קיבלנו ספר עבה שמתאר את תוכן הקורס. עלעלתי קצת בספר הזה והבנתי שיש לי כמה נושאים להערות .
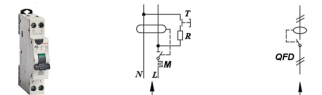
בפרק של מפסקי מגן ראיתי ציורים ותרשימים ממסרי פחת עם רעיונות לביצוע שינויים קלים בחיבור על מנת להגדיל את זרם נומינלי עבור מפסק ולהקטין רגישות. רעיונות אלה אינם חדשים. אגב, אני חושב שזה המצאה ישראלית כי לא נתקלתי בזה בספרות ובפורומים בחו"ל
ישנם 2 סוגי חיבורים שהופכים את הפחת התלת-פאזי לפחת חד-פאזי. אופן החיבור הראשון- מכפיל את רגישות הפחת, כלומר מקבלים פחת חד-פאזי עם רגישות של 15ma במקום 30ma.
באופן החיבור השני- שאני מקבלים פחת חד-פאזי עם אותה
הרגישות של הפחת התלת-פאזי, אבל שמיועד לזרם כפול. כלומר, במקום פחת- תלת פאזי 40 אמפר, מקבלים פחת חד פאזי שמסוגל לעמוד בזרם של 80 אמפר
חלק מהבעיות עם זה, שלא ניתן לבדוק אותו על ידי מכשיר. אין מכשיר בדיקה שמותאם לבדיקת מפסקי מגן בעלי זרם זליגה כזה והמכשירים צפויים לפסול את מפסק המגן
אבל אני רואה כאן בעיה נוספת ולכן דעתי באופן כללי:
- הפתרון היחיד, אולי, לא תמיד מוצדק עבור מפסקי מגן – ניתוק של המוליך האפס. במקרים מסוימים, במיוחד עבור התקנים תלת פאזיים, אם המגעים מתעכבים, נשרפים, מתחמצנים או פגומים בדרך אחרת, העומס עשוי להיות מחובר לרשת עם הניתוק במוליך האפס. אם עומס בפאזות שונה באופן משמעותי, (חוסר איזון) זה עלול לגרום לתקלה או שריפה עקב מתחים גבוהים בלתי מקובלים בחלק אחד של הרשת ומתחים נמוכים בחלק אחר
- חיסרון זה נלקח חלקית בחשבון והוא מפוצה מבחינה מבנית על ידי הפעלה מוקדמת של מגע הקוטב האפס וניתוק מאוחר יותר, וגם על ידי אחוד ההנעה של כל המגעים. זה האחרון בא לידי ביטוי במסמכים רגולטוריים, הקובעים כי ניתן להתקין מנגנון ניתוק במוליכים אפס רק בתנאי שכאשר הוא מופעל, כל מגעים הפאזות מנותקים בו זמנית. יש דגמים שבהם רק מעגלי מוליכי הפאזה נפתחים וזה יכול לנטרל לחלוטין את המצב המסוכן של ניתוק המוליך האפס
חשוב שמוליך ה-N כאן, כמו במכשירים אחרים, יעבור דרך סליל דיפרנציאלי (חיישן, שנאי)
- על פי הסיווג, הם חד-קוטביים עם שני נתיבים זרם ולשלושה קוטביים עם ארבעה נתיבים זרם. אין לבלבל בין מפסקים כאלו עם מוליך N מפוקח אך לא מנותק עם מפסקי מגן תלת פאזי (3P) ודו פאזי (2P), שאינם שולטים בזרמי מוליכים N ומשמשים להגנה על עומסים עם אפס מבודד, כגון כמו מנועים חשמליים או עומסים ללא אפס (מחממי מים עם גופי חימום עבור 380 (400) וולט, מכונות ריתוך עבור 380 (400) וולט וכו').
מסקנה: כיום יותר ויותר יצרנים מייצרים מפסקי מגן (וכמעט כל המפסקים משולבים) שבהם המגע של המוליך אפס אינו סינכרוני עם המגעים של מוליכי הפאזה. לכן, כל החיבורים של המגעים הללו בטור או במקביל אינם נכונים
MASTAQ























תגובה אחת
שלום,
אינני חשמלאי אולם את הפעולה הבאה יבצע חשמלאי מוסמך. אני רוצה לוודא שפעילות מפסק הפחת תהיה תקינה.
אני רוצה לחבר גנרטור חד פאזי לדירה שהחשמל שם תלת פאזי.
קניתי מפסק מחליף תלת פאזי של חברת HAGAR. נחבר לצד אחד את מה שמגיע מהגנרטור ומקצרים את 3 הפאזות. בנוסף נחבר את האפס.
ננתק את שלושת הפאזות שמגיעות מהמונה אל המפסק תלת פאזי הראשי של הדירה.
נחבר את שלושת הפאזות לכניסה השניה של מפסק המחלף. בנוסף נחבר את אפס.
את יציאות מפסק המחלף נחבר לכניסות המפסק הראשי.
לא נוגעים בכלל לא בפחת ולא בשום דבר אחרי הראשי.
תודה מראש.