פחת כאמצעי לניתוק חשמל

לפני כ 12 שנה פנו לוועדת הפירושים עם שאלה – האם ניתן לבצע  את ניתוק החשמל על-ידי לחיצה על כפתור לחצן חירום

(NORMALY OPEN ) ולהשתמש בממסר פחת  כאמצעי ניתוק חשמל.

אם חיברו כפי שצריך את כל השקעים למעגל ממסר פחת וללחצן חיברו  2 מוליכים – אפס והארקה.

פרסום

בלחיצה על לחצן חירום, מתבצע קצר בין אפס והארקה וממסר פחת מתנתק החשמל.

השאלה הייתה עד כמה השיטה הזאת של הניתוק הנכונה מבחינת החוק

התשובה של המומחים מוועדת הפירושים הייתה – אין בחוק התייחסות איך בדיוק לנתק את השקעים בחירום.

הטכניקות המקובלות לביצוע ניתוק הם:

  • הפסקה באמצעות סליל הפסקה
  • הפסקה באמצעות מגען (קונטקטור)

הם הוסיפו לתשובה , שהטכניקה המוצעת היא לא good practice engineering ושבשיטה המוצעת הפסקת החשמל תלויה בהפרש פוטנציאלים בין אפס והארקה ובמתקן מאופס עם עומסים סימטריים יש מצב שההפרש יהיה מזערי ולא יעבוד.

יחד עם זאת, בשוק קיימים ממסרי מגן שבנויים לפיקוד מרחוק וזה מתבצע על ידי חיבור נגד בין פאזה ואפס ובמפסקים כאלו ניתן להשתמש

 

דעתי בעניין:

מפסק מגן הוא אביזר שניתוק שלו הרבה יותר מהר בהשוואה למא"ז או מגן

כמו כן,  הוא מפסיק גם את האפס, בנוסף לפאזה  ולפעמים זה חיוני בחירום

יש דעה שממסר פחת הוא מכשיר עדין ויתכן ולא יעבוד ברגע החשוב  כי  מדי פעם נדרשת בדיקה ולא בטוח שבוצעה

אבל גם מא"ז, לפי דעתי דורש בדיקה וזה לא מתבצע (כתבתי מאמר באתר הזה – מפסקי אוטומטים – לסמוך או לבדוק?) ובמגען בכלל אסור להשתמש בזמן השריפה

לכן, מזמן גיליתי לעצמי את ממסר הפחת כאמצעי ניתוק ללוחות דירתיים, ביתיים, משרדיים, כלומר קטנים

זה יעיל  במיוחד בשילוב עם אביזרים הקובעים את פונקציית ההגנה: גילו אש, שריפה, נחשולי מתח, ניצות וקשת וכו'

להלן כמה דוגמאות:

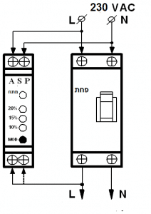
ASP – לניטור עלית מתח ברשת חד פאזית,. הוא משמש רק בשילוב עם ממסר פחת

  • הוא מיושם יחד עם כל סוגי הפחת
  • קיימת אפשרות להגדרות העלית מתח ב-%
  • מיוצר במארז מיניאטורי, מודול גודל 1 (רוחב 18 מ"מ) התקנה על פס DIN

 

 

 

 

במצבי חירום ברשת החשמל של בנייני מגורים, דירות, מוסדות, במקום 230 וולט, יכול להתרחש מתח מופחת מאוד מהנורמה

(50-180 וולט) או מתח מוגבר מאוד מהנורמה (260-380 וולט)

. בזמן ירידת המתח, המכשירים עם מנגנון חשמלי נכשלים – מדובר במקררים, מזגנים, מכונות כביסה ותפירה, מאווררים.

אך הדבר הגרוע ביותר הוא המתח המוגבר בו כל האלקטרוניקה נשרפת והסיכוי לשריפה בבית עולה בצורה חדה.

פרסום

הנפוץ תופעת עלית מתח החשמל קשורה בעיקר לשריפה או ניתוק במוליך ניטרלי,

כאשר מתח האספקה ​​מופץ באופן לא אחיד בין הצרכנים. ניתוק של מוליכי אפס יכול להתרחש: כאשר עומס הרשת החשמלית (עוצמת הספק של הדיור עולה בהתמדה מדי שנה); בתנאי מזג אוויר קשים, שבהם הכוח מתבצע על ידי קו האווירי (רוח, עץ שנפל – הסיבה העיקרית לניתוק חוטי אפס); בקצרים ברשת חשמל; במגע לקוי בחיבור המוליכים הניטרליים; בגניבת מתכת אל ברזליות (חוטים); עם החיווט הישן  של רשת הביתי; עקב טעויות בצוות חשמלאים.

 

דוגמאות נוספות:

ממסר פחת

 

  1. יעיל ולכן יש הצורך בניתוק חשמל על-ידי ממסרי פחת ( מפסקים דיפרנציאליים) עם תוספת

פונקציות של כבוי אוטומטי, שמונע  פיתוח של אש והצתה מחדש.

  1. פתרונות מוצעים להבטחת בטיחות האש זמינות לציבור ולעסקים קטנים, כלומר לא נוצרת תוספת כלכלית משמעותית

לסיכום:

  • ניתן להשתמש בממסר פחת כאמצעי ניתוק מהיר, כולל גיד אפס על-ידי חיבור נגד באלכסון, בדומה לפונקציה TEST המובנה

 

.יש להדגיש. כמו תמיד, אני  במאמר זה  לא קורא להשתמש, לא נותן רשות, אני רק מציין אפשרות שכזאת, את האופציה שקיימת

MASTAQ

תודה שאתם מבקרים בפורטל חשמלנט. חשמלנט היינו פורטל מקצועי ומקיף לתחום החשמל והתאורה .בחשמלנט תוכלו למצוא אינפורמציה מקצועית שחשובה לכם ומאגר ספקים גדול מתחום החשמל והתאורה

כתיבת תגובה

האימייל לא יוצג באתר. שדות החובה מסומנים *

אתר זו עושה שימוש ב-Akismet כדי לסנן תגובות זבל. פרטים נוספים אודות איך המידע מהתגובה שלך יעובד.

כתבות נוספות

פס הארקה בקרקע: יש להניח אנכית (על הקצה)

23 באפריל 2026

מהפכת הוויזואליזציה: מניעת שריפות וכשלים באמצעות כבלים "חכמים" רגישים לחום

19 באפריל 2026

איך הופכים את הסקרנות של הילדים להגנה מפני חשמל?

19 באפריל 2026

פתרונות רגולטוריים וטכניים להתנגדות קרקע גבוהה

13 באפריל 2026

פטינה: שכבת הגנה טבעית לאלקטרודות הארקה שאינה דורשת ניקוי

12 באפריל 2026

מחזיק מהדק רשת

12 באפריל 2026

פס הארקה בקרקע: יש להניח אנכית (על הקצה)

23 באפריל 2026

מהפכת הוויזואליזציה: מניעת שריפות וכשלים באמצעות כבלים "חכמים" רגישים לחום

19 באפריל 2026

איך הופכים את הסקרנות של הילדים להגנה מפני חשמל?

19 באפריל 2026

פתרונות רגולטוריים וטכניים להתנגדות קרקע גבוהה

13 באפריל 2026

שלום לך 👋
נעים להכיר.

הירשמו לקבלת תוכן מדהים לתיבת הדואר הנכנס, כל חודש.